----
UCFL207
1/3
Идентификация
- Обозначение (ISO)
- UCFL207
- Обозначение (ГОСТ)
- UCFL-207
- Бренд
- ----
В наличии
30 штСанкт-Петербург30 шт
dвнутр. диаметр35мм
Характеристики
Категория и тип
- Категория
- Подшипниковые узлы
- Тип
- Корпусной подшипник
Основные характеристики
- Тип
- Подшипниковый узел
- Серия
- UCFL207
- Материал
- Чугун
- Сепаратор
- Сталь штампованная
- Динам. грузоподъемность (C)
- 25.69 кН
- Статич. грузоподъемность (C₀)
- 15.39 кН
- Масса
- 1.196 кг
- Уплотнение
- закрытый (Закрытый тип)
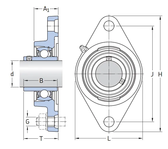
Дополнительные размеры
- Ширина внутр. кольца (C)
- 0 мм
- Высота (H)
- 161 мм
- Длина (L)
- 90 мм
- Ширина наруж. кольца (T)
- 0 мм
- Расчетное смещение (a)
- 161.1 мм
- b
- 90 мм
- g
- 14 мм
- l
- 34 мм
- n
- 18 мм
- Толщина кольца (s)
- 13 мм
- A0
- 44.4 мм
- B1
- 42.9 мм
- Bi
- 42.9 мм
- Диаметр борта наруж. (D₁)
- 0 мм
- Диаметр комплекта роликов (Fw)
- 35 мм
- Диаметр борта внутр. (d₁)
- 0 мм
- bolt
- 14 мм
- Мин. радиус фаски (r)
- 0 мм
- Мин. радиус фаски (r₁)
- 0 мм