ARP
Подшипник: QJ308 MPA ( 176308 Л ) ARP176308 ( 176308 Л <имп: QJ308 MPA>) ARP
В наличии
Остаток:8 шт

1/2
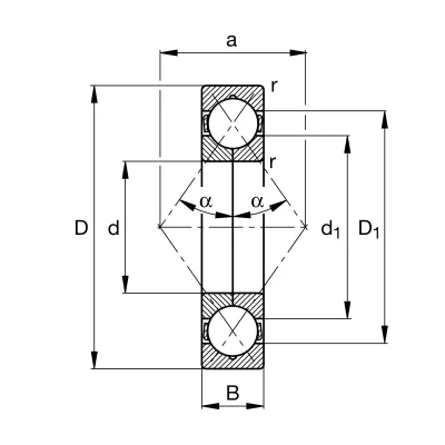
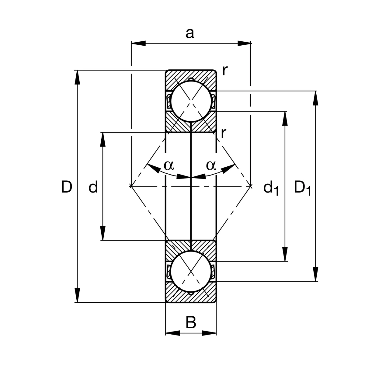
Размеры
dвнутр. диаметр
40мм
Dнаруж. диаметр
90мм
Bширина
23мм
Наличие на складах
Санкт-Петербург
8 штГотов к выдаче:Завтра, 09:00
3 580 ₽
Цена с НДС
Цены действительны только для интернет-магазина
Итого:3 580 ₽
Основные размеры
Внутренний диаметр (d)40 мм
Наружный диаметр (D)90 мм
Ширина (B)23 мм
Дополнительно
Вес0.635 кг
Дополнительные размеры
Расчетное смещение (a)46 мм
Мин. радиус фаски (r₁)1.5 мм
r2_min1.5 мм
Спецификация подшипника
ТипШариковый радиально-упорный
Серия308
СепараторЛатунь
Динам. грузоподъемность (C)83 кН
Статич. грузоподъемность (C₀)64 кН
Макс. обороты (смазка)14 000 об/мин
Масса0.635 кг
ЗазорC0
Рабочая температурадо 120 °C