ARP
Подшипник: 3003 B2RSTVH ( 3003 B-2RS-TVH ) ARP3003 ( 3003 B-2RS-TVH <имп: 3003 B2RSTVH>) ARP
В наличии
Остаток:6 шт

1/3
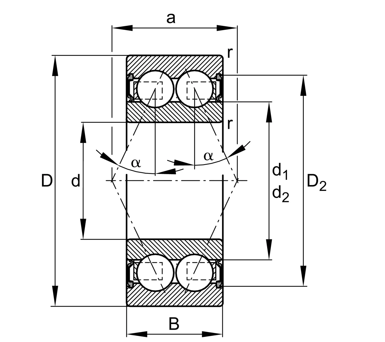
Размеры
dвнутр. диаметр
17мм
Dнаруж. диаметр
35мм
Bширина
14мм
Наличие на складах
Санкт-Петербург
6 штГотов к выдаче:Завтра, 09:00
530 ₽
Цена с НДС
Цены действительны только для интернет-магазина
Итого:530 ₽
Основные размеры
Внутренний диаметр (d)17 мм
Наружный диаметр (D)35 мм
Ширина (B)14 мм
Дополнительно
Вес0.051 кг
Дополнительные размеры
Расчетное смещение (a)17.1 мм
Макс. диам. заплечика корпуса (Da)33 мм
Мин. диам. заплечика вала (da)19 мм
Мин. радиус фаски (r₁)0.3 мм
Макс. радиус фаски вала (ra)0.3 мм
Спецификация подшипника
ТипШариковый радиально-упорный
Серия3003
Рядностьдвухрядный
МатериалШХ15
СепараторПластик
Динам. грузоподъемность (C)9.1 кН
Статич. грузоподъемность (C₀)6.1 кН
Макс. обороты (смазка)12 300 об/мин
Масса0.042 кг
ЗазорC0
Уплотнение2RS (Два резиновых уплотнения)
Смазкастандартная смазка
Рабочая температурадо 120 °C