ARP
3316 A/C3

1/6
Идентификация
- Обозначение (ISO)
- 3316 A/C3
- Бренд
- ARP
В наличии
4 штСанкт-Петербург4 шт
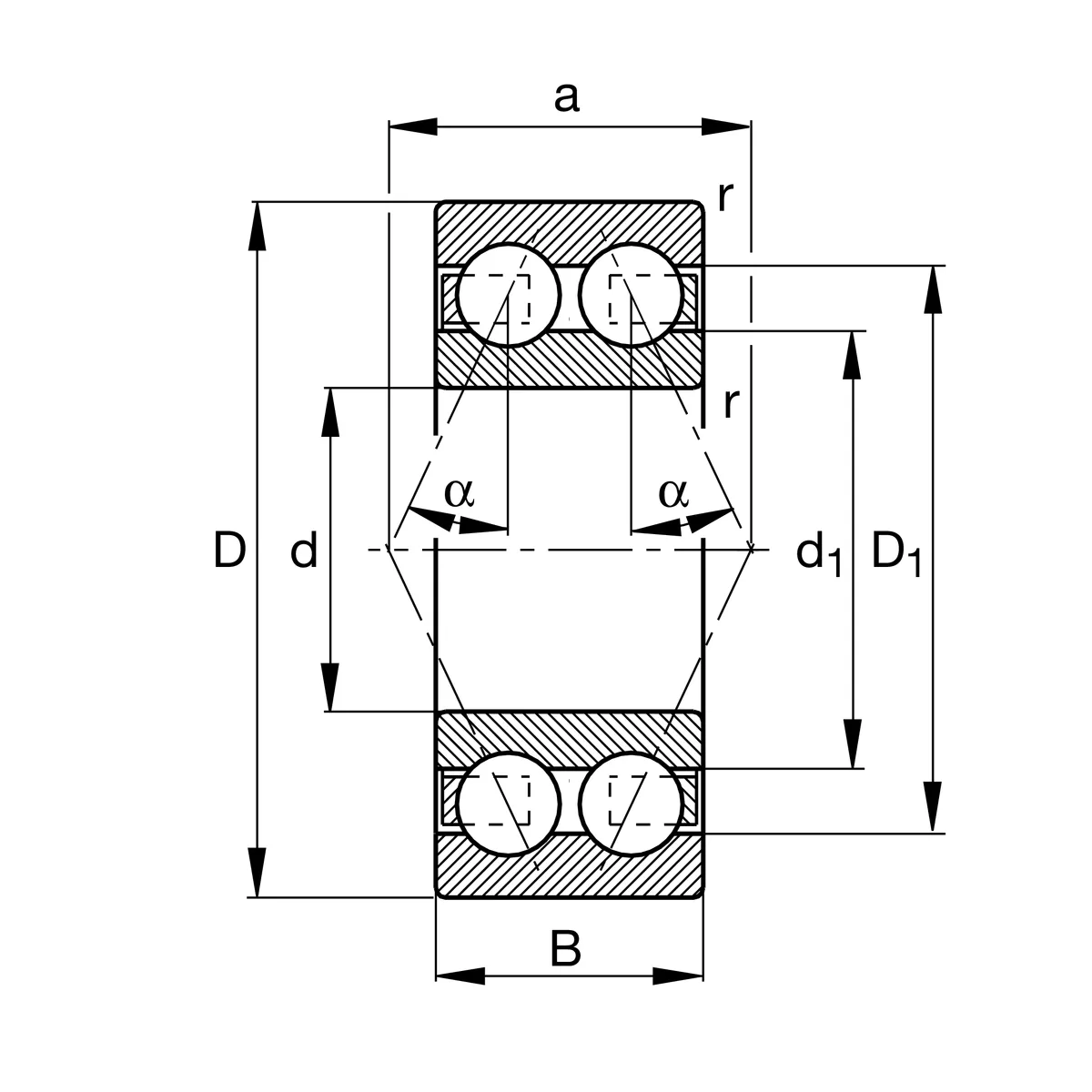
dвнутр. диаметр80мм
Dнаруж. диаметр170мм
Bширина68.3мм
Характеристики
Категория и тип
- Категория
- Радиально-упорные шариковые
- Тип
- Двухрядный радиально-упорный шариковый
Основные характеристики
- Тип
- Шариковый радиально-упорный
- Серия
- 3316
- Рядность
- двухрядный
- Материал
- Сталь
- Сепаратор
- Сталь штампованная
- Динам. грузоподъемность (C)
- 176 кН
- Статич. грузоподъемность (C₀)
- 212 кН
- Макс. обороты (смазка)
- 2 400 об/мин
- Макс. обороты (масло)
- 3 400 об/мин
- Масса
- 6.95 кг
- Зазор
- C3
- Смазка
- консистентная смазка
- Рабочая температура
- -30 °C до +150 °C
Дополнительные размеры
- Расчетное смещение (a)
- 88.6 мм