ARP
2215 TVHC3

1/6
Идентификация
- Обозначение (ISO)
- 2215 TVHC3
- Обозначение (ГОСТ)
- 2215 TVH-C3
- Бренд
- ARP
В наличии
13 штСанкт-Петербург13 шт
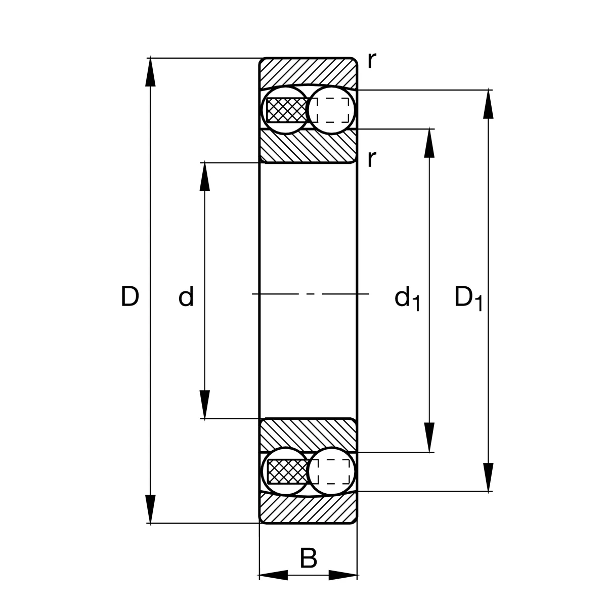
dвнутр. диаметр75мм
Dнаруж. диаметр130мм
Bширина31мм
Характеристики
Категория и тип
- Категория
- Радиальные шариковые сферические
- Тип
- Самоустанавливающийся расширенный
Основные характеристики
- Тип
- Шариковый сферический самоустанавливающийся
- Серия
- 2215
- Рядность
- двухрядный
- Материал
- ШХ15
- Сепаратор
- Полиамид армированный
- Динам. грузоподъемность (C)
- 44.5 кН
- Статич. грузоподъемность (C₀)
- 17.8 кН
- Макс. обороты (смазка)
- 5 об/мин
- Макс. обороты (масло)
- 5 об/мин
- Масса
- 1.67 кг
- Зазор
- C3
- Смазка
- стандартная смазка
- Рабочая температура
- -30..120
Дополнительные размеры
- Радиус фаски (r)
- 2.5 мм
- Диаметр борта наруж. (D₁)
- 114.3 мм
- Диаметр борта внутр. (d₁)
- 93.3 мм
- Мин. радиус фаски (r)
- 1.5 мм
- Макс. диам. заплечика корпуса (Da)
- 121 мм
- Мин. диам. заплечика вала (da)
- 84 мм
- Макс. радиус фаски вала (ra)
- 1.5 мм