ARP
Подшипник: QJ211 MPA ( 176211 Л ) ARP176211 ( 176211 Л <имп: QJ211 MPA>) ARP
В наличии
Остаток:10 шт

1/2
Размеры
dвнутр. диаметр
55мм
Dнаруж. диаметр
100мм
Bширина
21мм
Наличие на складах
Санкт-Петербург
10 штГотов к выдаче:Понедельник, 09:00
2 915 ₽
Цена с НДС
Цены действительны только для интернет-магазина
Итого:2 915 ₽
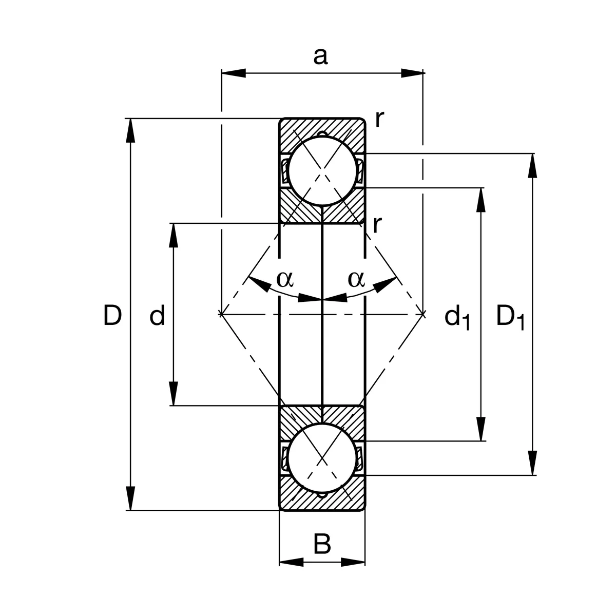
Основные размеры
Внутренний диаметр (d)55 мм
Наружный диаметр (D)100 мм
Ширина (B)21 мм
Дополнительно
Вес0.74 кг
Дополнительные размеры
Расчетное смещение (a)54 мм
Мин. радиус фаски (r)1.5 мм
Мин. радиус фаски (r₁)1.5 мм
r2_min1.5 мм
Спецификация подшипника
ТипШариковый радиально-упорный
Серия211
МатериалШХ15
СепараторЛатунь
Динам. грузоподъемность (C)83 кН
Статич. грузоподъемность (C₀)76 кН
Макс. обороты (смазка)11 000 об/мин
Масса0.68 кг
ЗазорC0
Рабочая температура-30 до +150 °C