ARP
Подшипник: QJ216 MPA ( 176216 Л ) ARP176216 ( 176216 Л <имп: QJ216 MPA>) ARP
В наличии
Остаток:4 шт

1/2
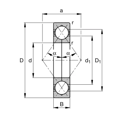
Размеры
dвнутр. диаметр
80мм
Dнаруж. диаметр
140мм
Bширина
26мм
Наличие на складах
Санкт-Петербург
4 штГотов к выдаче:Завтра, 09:00
6 330 ₽
Цена с НДС
Цены действительны только для интернет-магазина
Итого:6 330 ₽
Основные размеры
Внутренний диаметр (d)80 мм
Наружный диаметр (D)140 мм
Ширина (B)26 мм
Дополнительно
Вес1.8 кг
Дополнительные размеры
Ширина внутр. кольца (C)26 мм
Расчетное смещение (a)77 мм
Диаметр борта наруж. (D₁)119.6 мм
Диаметр борта внутр. (d₁)100.9 мм
Мин. радиус фаски (r)2 мм
Макс. диам. заплечика корпуса (Da)129 мм
Мин. диам. заплечика вала (da)91 мм
Мин. радиус фаски (r₁)2 мм
r2_min2 мм
Макс. радиус фаски вала (ra)2 мм
Спецификация подшипника
ТипШариковый радиально-упорный
Серия216
МатериалШХ15
СепараторЛатунь
Динам. грузоподъемность (C)145 кН
Статич. грузоподъемность (C₀)146 кН
Макс. обороты (смазка)8 000 об/мин
Макс. обороты (масло)8 600 об/мин
Масса1.8 кг
Класс точностиP0
ЗазорC0