ARP
ZARF30105 TVP5

1/4
Идентификация
- Обозначение (ISO)
- ZARF30105 TVP5
- Обозначение (ГОСТ)
- ZARF-30105 TV P5
- Бренд
- ARP
В наличии
4 штСанкт-Петербург4 шт
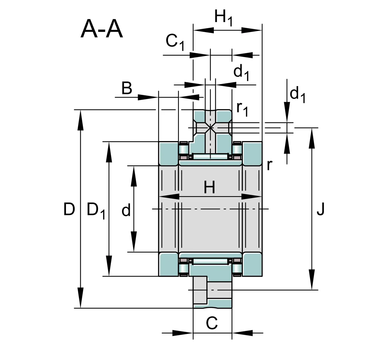
dвнутр. диаметр30мм
Dнаруж. диаметр105мм
Bширина18мм
Характеристики
Категория и тип
- Категория
- Комбинированные
- Тип
- Комбинированный игольчатый ZARF/ZARN
Основные характеристики
- Тип
- Комбинированный
- Серия
- 30105
- Масса
- 1.95 кг
- Класс точности
- P5